高精密传动产品之专业生产制造商
服务热线:189-1554-0019
首页
产品中心
环轨线
行星减速机
精密转向器
同步升降器
中空旋转平台
下载中心
行业应用
新闻中心
公司新闻
行业新闻
关于我们
公司简介
联系我们
产品中心
助力传统制造业转型智能生产
产品中心
首页
产品中心
环轨线
行星减速机
精密转向器
同步升降器
中空旋转平台
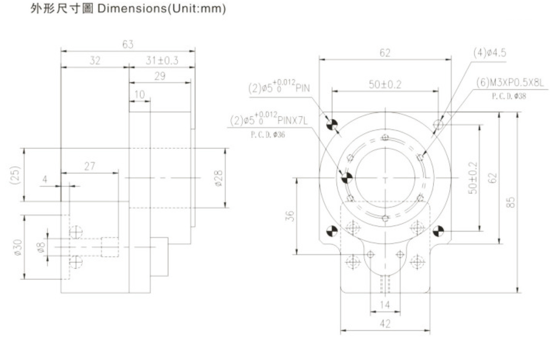
中空旋转平台
型号:LDK-060
产品中心
下载中心
关于我们
一键拨号